WHADDON MKVII

 

Voilà déjà quelques temps que nous avons décidé un ami et moi de réaliser chacun un

 

« WHADDON MKVII » aussi appelé « PARASET ».

 

Après plusieurs mois de recherche pour le matériel mécanique, les composants électroniques, les données pour la réalisation des selfs RX et TX ainsi que la self BF, les condensateurs variables, un bon schéma et quel modèle de boîtier réaliser, suite à de nombreuses fouilles sur les brocantes « RADIO AMATEUR » de tout azimuts, voici le résultat de toutes ces recherches qui ont porté leurs fruits.

Et quelques photos de la réalisation.

 

Photo 01 : Les composants en vrac partie 1

 

Photo 02 : Les composants en vrac partie 2

 

Photo 03 : Le plaque en aluminium de 1,5 mm d’épaisseur

 

Photo 04 : Le dessin de découpe et perçage

 

Photo 05 : Début du perçage avec dessin

 

Photo 06 : Le perçage terminé sans Dessin

 

Photo 07 : Plaque support terminée

 

Photo 08 : L’autre côté

 

Photo 09 : Début du positionnement des composants

 

Photo 10 : Modification des CV ajustable en CV variable voir description

 

 

Photo 11 : Tous les composants sur le dessus du chassis

 

 

Photo 12 : Tous les composants sur le dessous du chassis

 

Photo 13 : Tous les composants sur le dessus du chassis

 

 

Photo 14 : 1er essai dans la valise en carton de récupération

 

 

Photo 15 : 2em essai dans la valise en carton de récupération

 

Photo 16 : Dessin pour réalisation du mandrin de la self  BF

 

Photo 17 : Les pièces du mandrin de la self  BF terminée

 

 

Photo 18 : Essai de l’assemblage des pièces du mandrin self  BF

 

 

Photo 19 : Essai de l’assemblage des pièces du mandrin self  BF

 

Photo 20 : Carcasse de la self  BF

 

Photo 21 : Bobinage de la self  BF --- 2850 Ohms

 

Photo 22 : Mesure de la résistance de la self  BF

 

 

Photo 23 : La self  BF

 

Photo 24 : La self  BF

 

Photo 25 : Emplacement de la self  BF sur le chassis radio

 

Photo 26 : La self  BF assemblée

 

Photo 27 : Support de la self  BF

 

Photo 28 : La self  BF assemblée et terminée

 

Photo 29 : La self  BF placée sur le chassis

 

Photo 30 : Une vue du chassis du Paraset

 

Photo 31 : Supports tubes, interrupteur etc… placés

 

Photo 32 : Câblage des masses et filaments etc

 

Photo 33 : Toutes les résistances placées

 

Photo 34 : Condensateurs placés

 

Photo 35 : Tous les composants placés

 

Photo 36 : Vue du chassis et de la self   RX

 

Photo 37 : Vue du chassis et de la self   RX  placée

 

Photo 38 : Autre vue du chassis et de la self   RX  placée

 

Photo 39 : Chassis alimentation par batterie 6 Volts

 

Photo 40 : Chassis alimentation batterie 6 Volts nu

 

Photo 41 : Chassis alimentation batterie 6 Volts

 

Photo 42 : Boitier alimentation dans la valise

 

Photo 43 : Intérieur du chassis alimentation par batterie

 

Photo 44 : Intérieur du chassis alimentation par batterie

 

Photo 45 : Ici c’est moi et je soude

 

Photo 46 : Alimentation par batterie câblée côté 1

 

Photo 47 : Alimentation par batterie câblée coté 2

 

Photo 48 : Essai d’une alimentation secteur

 

Photo 49 : Alimentation secteur à l’intérieur de son boitier

 

Photo 50 : Alimentation secteur terminée et en ordre de marche

 

Photo 51 : L’ensemble complet en service sur casque 4000 Ohms

 

Photo 52 : Un haut-parleur externe dans son boitier

 

Photo 53 : Le Paraset complet en ordre de marche avec HP

 

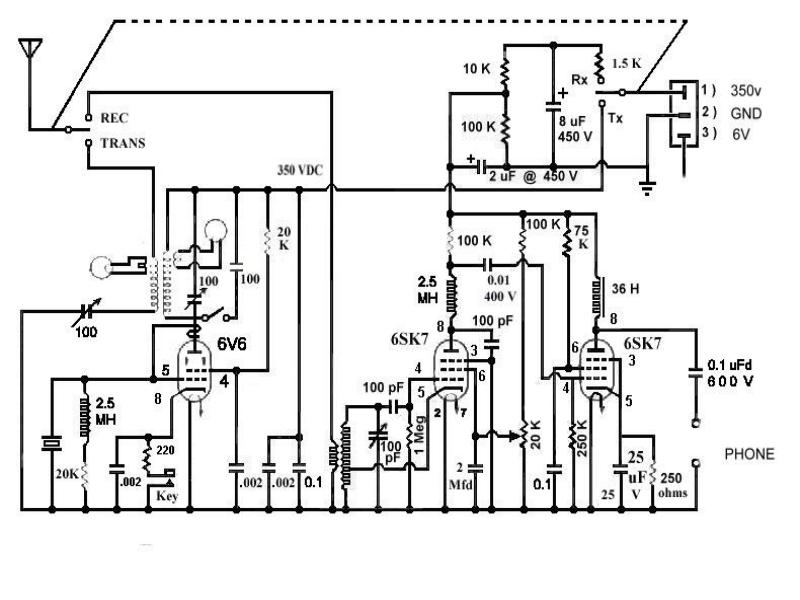
Photo 54 : Le schéma trouvé sur Internet fonctionnel